━ 單相和雙相19“電路板板
━ 工作頻率5Hz,zui高120kHz
━ 移相器0° - 360°
━ 電流和電壓輸入
━ 通過本地開關和光隔離數字輸入進行參數控制
━ 提供安裝套件MK-LIA-2和參考振蕩器模塊SOM-1

可選的參考振蕩器SOM-1可通過電路板上的擴展連接器連接。所有信號和電源電壓通過64針歐式卡連接器連接。有關詳細信息,請查看數據表。
高性能
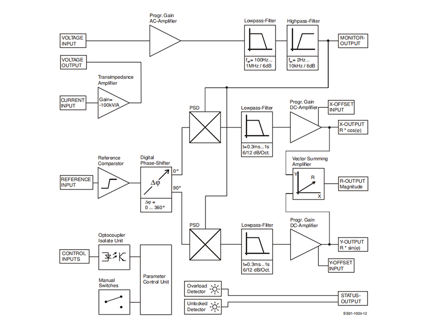
通常的臺式鎖定放大器的太貴往往妨礙它們在成本低的應用中使用。因此,FEMTO以吸引力的價格設計了一個完整且易于使用的鎖板。靈敏度,時間常數和相移的所有設置都可以通過前面板開關手動選擇,也可以通過PC通過數字接口遠程選擇。可通過電路板上的跳線配置附加信號濾波器,以進一步增加要求苛刻的應用中的動態儲備。
19“板與PC卡
PC卡暴露在計算機機箱內的電磁干擾環境中。因此,使用PC卡進行小信號的超靈敏測量通常是不實際的。FEMTO系列LIA-BV(D)-150鎖相放大器設計為19“板,可在EMI設計的標準機箱中運行,提供佳的屏蔽噪聲。此外,它們是設計高性能的選擇。性能多通道系統。
ü 光譜
ü 發光,熒光,磷光測量
ü 光散射測量
ü 光電質量控制
ü 集成在工業和科學測量系統中
ü 多渠道系統,價格誘人
